
INCH-POUND
AN8019 Rev 2
16 December 2013
SUPERSEDING
AN8019 Rev 1
12 August 1954
DETAIL SPECIFICATION SHEET
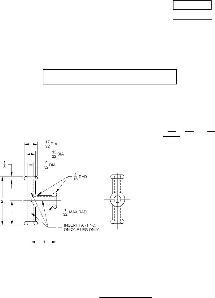
TEE AND FLYER'S RELIEF TUBE
Inactive for new design after 11 September 1998.
For new design use MIL-DTL-32077
This specification is approved for use by all Departments
and Agencies of the Department of Defense
The requirements for acquiring the product described
herein shall consist of this specification sheet.
inch
inch
mm
fractions
1/32
.031
.787
1/16
.064
1.63
1/8
.125
3.18
9/32
.281
7.14
13/32
.406
10.31
17/32
.531
.531
1
1.00
25.4
2
2.00
50.8
NOTES:
1. Dimensions are in inches.
2. Metric equivalents are given for information only.
3. Break sharp edges and remove all hanging burrs and slivers.
4. Unless otherwise noted tolerances shall be ±1/32, (± .010 inches) (0.787 mm) (±.254) angles at
± 2.
FIGURE 1. Tee and flyer's relief tube.
AMSC N/A
FSC 4730