
INCH-POUND
AN805 Rev 8
4 August 2011
SUPERSEDING
AN805 Rev 7
14 August 1956
DETAIL SPECIFICATION SHEET
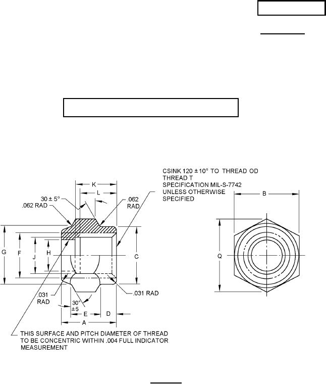
NUT, UNION
Inactive for new design after 24 July 1998.
This specification is approved for use by all Departments and Agencies of the Department of Defense.
The requirements for acquiring the product described herein shall consist of this specification sheet and MIL-DTL-6001.
FIGURE 1. Nut, union.
AMSC N/A
FSC 4730