
INCH-POUND
AN846 Rev 9
3 October 2013
SUPERSEDING
AN846 Rev 8
7 June 2011
DETAIL SPECIFICATION SHEET
ELBOW, HOSE, 45°
Reinstated after 7 June 2011. Inactive for new design
after 7 June 2011. For new design, use SAE-AS5187.
This specification is approved for use by all Departments and
Agencies of the Department of Defense.
The requirements for acquiring the product described herein shall consist of this specification sheet and
SAE-AS4843.
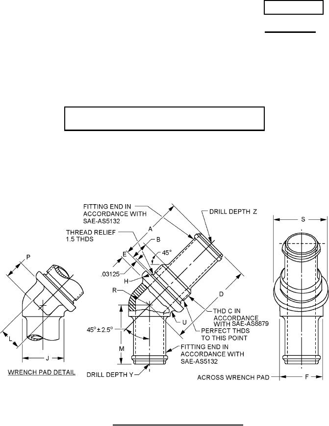
FIGURE 1. 45° elbow dimensions and configuration.
AMSC N/A
FSC 4730
For Parts Inquires call Parts Hangar, Inc (727) 493-0744
© Copyright 2015 Integrated Publishing, Inc.
A Service Disabled Veteran Owned Small Business