
INCH-POUND
AN917 Rev 9
19 July 2011
SUPERSEDING
AN917 Rev 8
21 March 1979
DETAIL SPECIFICATION SHEET
TEE, PIPE
Reinstated after 19 July 2011. Inactive for new design.
For new design, use SAE-AS4857.
This specification is approved for use by all Departments and
Agencies of the Department of Defense.
The requirements for acquiring the product described herein shall consist of this specification sheet and
SAE-AS4842.
Inch
mm
.047
1.19
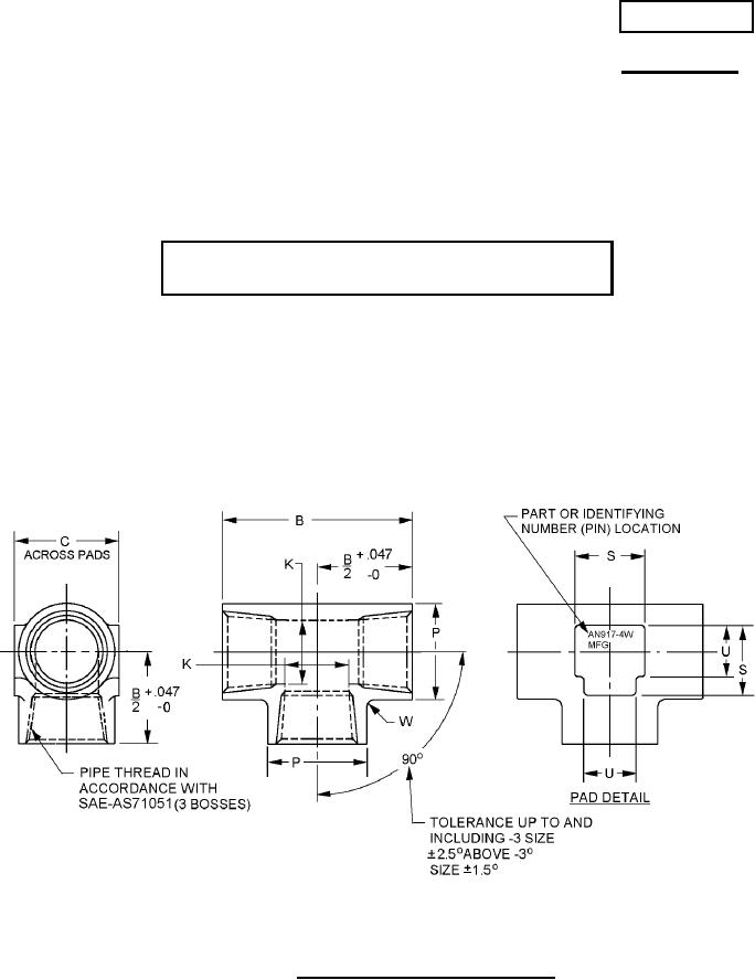
FIGURE 1. Tee dimensions and configurations.
AMSC N/A
FSC 4730
For Parts Inquires call Parts Hangar, Inc (727) 493-0744
© Copyright 2015 Integrated Publishing, Inc.
A Service Disabled Veteran Owned Small Business