
INCH-POUND
AN929 Rev 13
6 February 2013
SUPERSEDING
AN929 Rev 12
16 February 2010
DETAIL SPECIFICATION SHEET
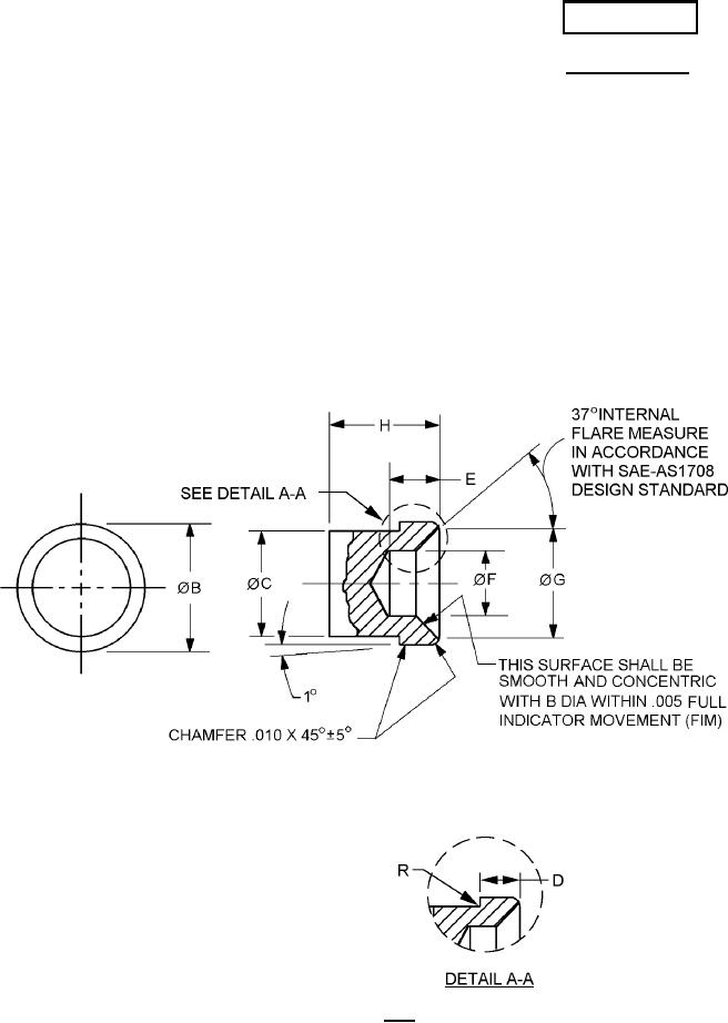
CAP INSERT, ASSEMBLY, PRESSURE SEAL,
FLARED TUBE FITTING
This specification is approved for use by all Departments and Agencies
of the Department of Defense .
The requirements for acquiring the product described herein shall consist of this specification sheet and
SAE-AS4841.
FIGURE 1. Cap.
AMSC N/A
FSC 4730
For Parts Inquires call Parts Hangar, Inc (727) 493-0744
© Copyright 2015 Integrated Publishing, Inc.
A Service Disabled Veteran Owned Small Business