
MIL-DTL-25531F
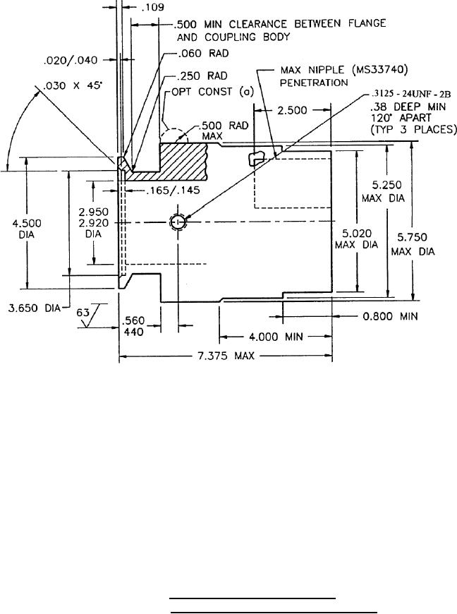
(a) Protuberance shall not extend more than 2 inches along circumference at outside
radius of body of coupling.
Flange fitting end piece to mate with flange of MS17833.
Dimensions in inches, unless otherwise specified, tolerances ±.010 inch.
FIGURE 1. Coupling half, quick disconnect,
pneumatic starter, external, low pressure.
5
For Parts Inquires call Parts Hangar, Inc (727) 493-0744
© Copyright 2015 Integrated Publishing, Inc.
A Service Disabled Veteran Owned Small Business