
INCH-POUND
MIL-DTL-52525/16D
20 November 2008
SUPERSEDING
MIL-DTL-52525/16C
30 June 1998
DETAIL SPECIFICATION SHEET
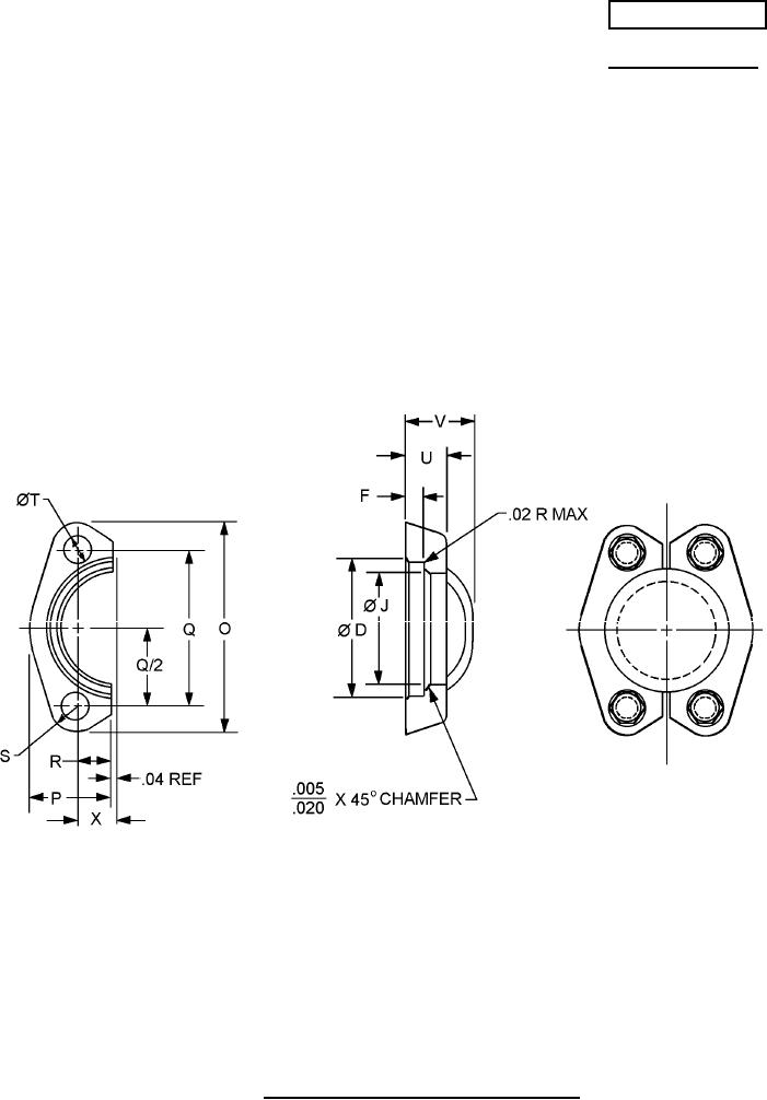
FITTINGS, CLAMP-HALVES, FOR 4-BOLT SPLIT-FLANGE,
SAE-J518, TYPE SPLIT-FLANGE CLAMP (SFC)
This specification is approved for use by all Departments and
Agencies of the Department of Defense.
The requirements for acquiring the product described herein shall consist of this specification sheet
and MIL-DTL-52525.
Inches
mm
.005
0.13
.02
0.5
.020
0.51
.04
1.0
FIGURE 1. Clamp-half hydraulic 4-bolt split-flange type.
AMSC N/A
FSC 4730
For Parts Inquires call Parts Hangar, Inc (727) 493-0744
© Copyright 2015 Integrated Publishing, Inc.
A Service Disabled Veteran Owned Small Business