
INCH-POUND
MIL-DTL-52525/3D
21 April 2011
SUPERSEDING
MIL-DTL-52525/3C
12 November 2008
DETAIL SPECIFICATION SHEET
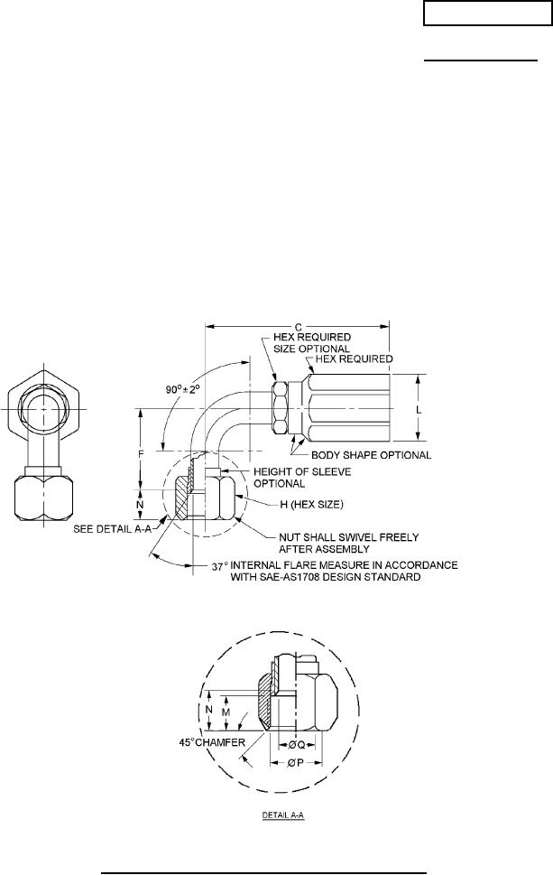
FITTINGS, HOSE, SCREW-ON TO 37° FLARE FEMALE
SWIVEL, 90° BENT TUBE, SHORT DROP
This specification is approved for use by all Departments and
Agencies of the Department of Defense.
The requirements for acquiring the product described herein shall consist of this specification sheet
and MIL-DTL-52525.
FIGURE 1. Fitting, screw-on to 37° flare, 90° bent tube, short drop.
AMSC N/A
FSC 4730
For Parts Inquires call Parts Hangar, Inc (727) 493-0744
© Copyright 2015 Integrated Publishing, Inc.
A Service Disabled Veteran Owned Small Business