
INCH-POUND
MIL-DTL-52525/31B
1 December 2008
SUPERSEDING
MIL-DTL-52525/31A
30 June 1998
DETAIL SPECIFICATION SHEET
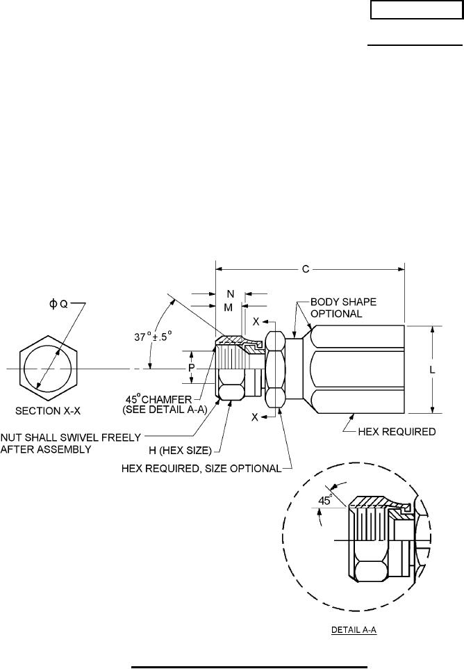
FITTINGS, HOSE, SCREW-ON TO
37 FLARE FEMALE SWIVEL
This specification is approved for use by all Departments and
Agencies of the Department of Defense.
The requirements for acquiring the product described herein shall consist of this specification sheet
and MIL-DTL-52525.
FIGURE 1. Fitting, screw-on to 37 flare female swivel, straight.
AMSC N/A
FSC 4730