
INCH-POUND
MIL-DTL-52525/41A
1 December 2008
SUPERSEDING
MIL-F-52525/41
30 June 1987
DETAIL SPECIFICATION SHEET
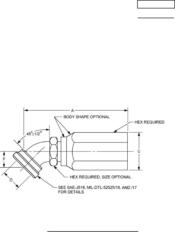
FITTINGS, HOSE, CRIMP TYPE, SPLIT-FLANGE, 45 BENT TUBE
This specification is approved for use by all Departments and
Agencies of the Department of Defense.
The requirements for acquiring the product described herein shall consist of this specification sheet
and MIL-DTL-52525.
FIGURE 1. Fitting, screw-on to 4-bolt split-flange, 45 bent tube.
AMSC N/A
FSC 4730.