MS16051G

Body dash no |
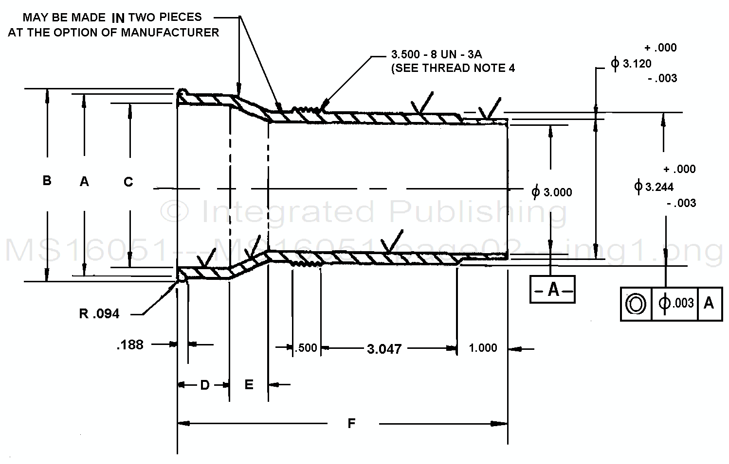
A |
B |
c |
D |
E |
F |
-1 |
4.000 |
4.188 |
3.750 |
1.281 |
0.906 |
7.313 |
-2 |
8.000 |
8.188 |
7.750 |
1.281 |
4.227 |
10.825 |
FIGURE 2. Body -1 and -2 dimensions and configuration.

FIGURE 3. Sleeve -4 dimensions and configuration. (Enlarged view)
2
For Parts Inquires call Parts Hangar, Inc (727) 493-0744
© Copyright 2015 Integrated Publishing, Inc.
A Service Disabled Veteran Owned Small Business