INCH-POUND MS21949C
14 August 2014
SUPERSEDING MS21949B
20 September 2000
DETAIL SPECIFICATION SHEET
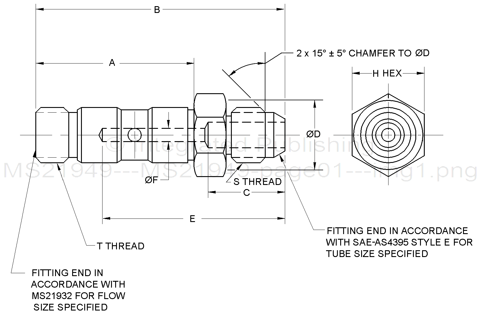
BOLT-CLUSTER FITTING, SINGLE PORT-FLARE
Inactive for new design after 7 August 2014.
This specification is approved for use by all Departments and Agencies of the Department of Defense .
The requirements for acquiring the product described herein shall consist of this specification sheet and
SAE-AS4875/1.

FIGURE 1. Bolt, cluster fitting.
AMSC N/A FSC 4730
For Parts Inquires call Parts Hangar, Inc (727) 493-0744
© Copyright 2015 Integrated Publishing, Inc.
A Service Disabled Veteran Owned Small Business