INCH-POUND
MS27084D
14 January 2014 SUPERSEDING MS27084C
25 September 2003
DETAIL SPECIFICATION SHEET
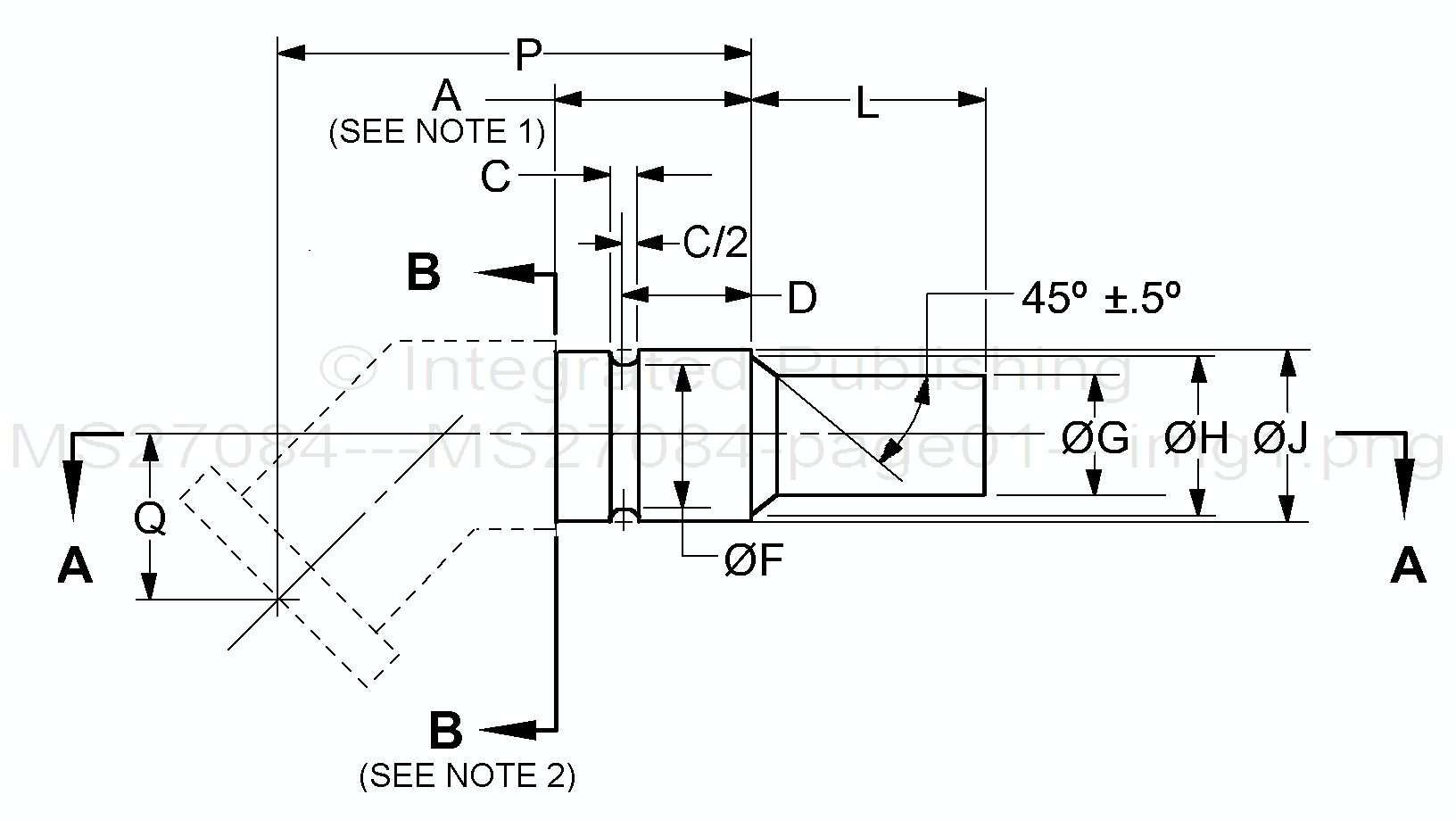
ELBOW, NIPPLE END, SWIVEL FLANGE TO HOSE - 45°
This specification sheet is approved for use by all Departments and Agencies of the Department of Defense.
The requirements for acquiring the product described herein shall consist of this specification sheet and MIL-DTL-27272.

FIGURE 1. Elbow illustration.
AMSC N/A FSC 4730
For Parts Inquires call Parts Hangar, Inc (727) 493-0744
© Copyright 2015 Integrated Publishing, Inc.
A Service Disabled Veteran Owned Small Business