INCH-POUND MS28754E
5 June 2012
SUPERSEDING MS28754D
6 August 2010
DETAIL SPECIFICATION SHEET
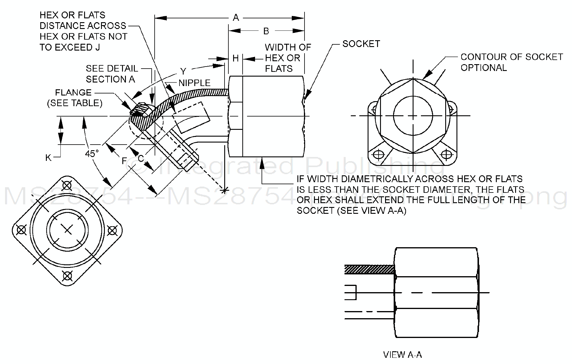
FITTING END, SELF-SEALING FUEL HOSE, SWIVEL, DETACHABLE, FLANGED, 45°
This specification is approved for use by all Departments and Agencies of the Department of Defense. The requirements for acquiring the product described herein shall consist of this specification sheet.

FIGURE 1. 45° fuel hose fitting.
AMSC N/A FSC 4730
For Parts Inquires call Parts Hangar, Inc (727) 493-0744
© Copyright 2015 Integrated Publishing, Inc.
A Service Disabled Veteran Owned Small Business