MS33786B

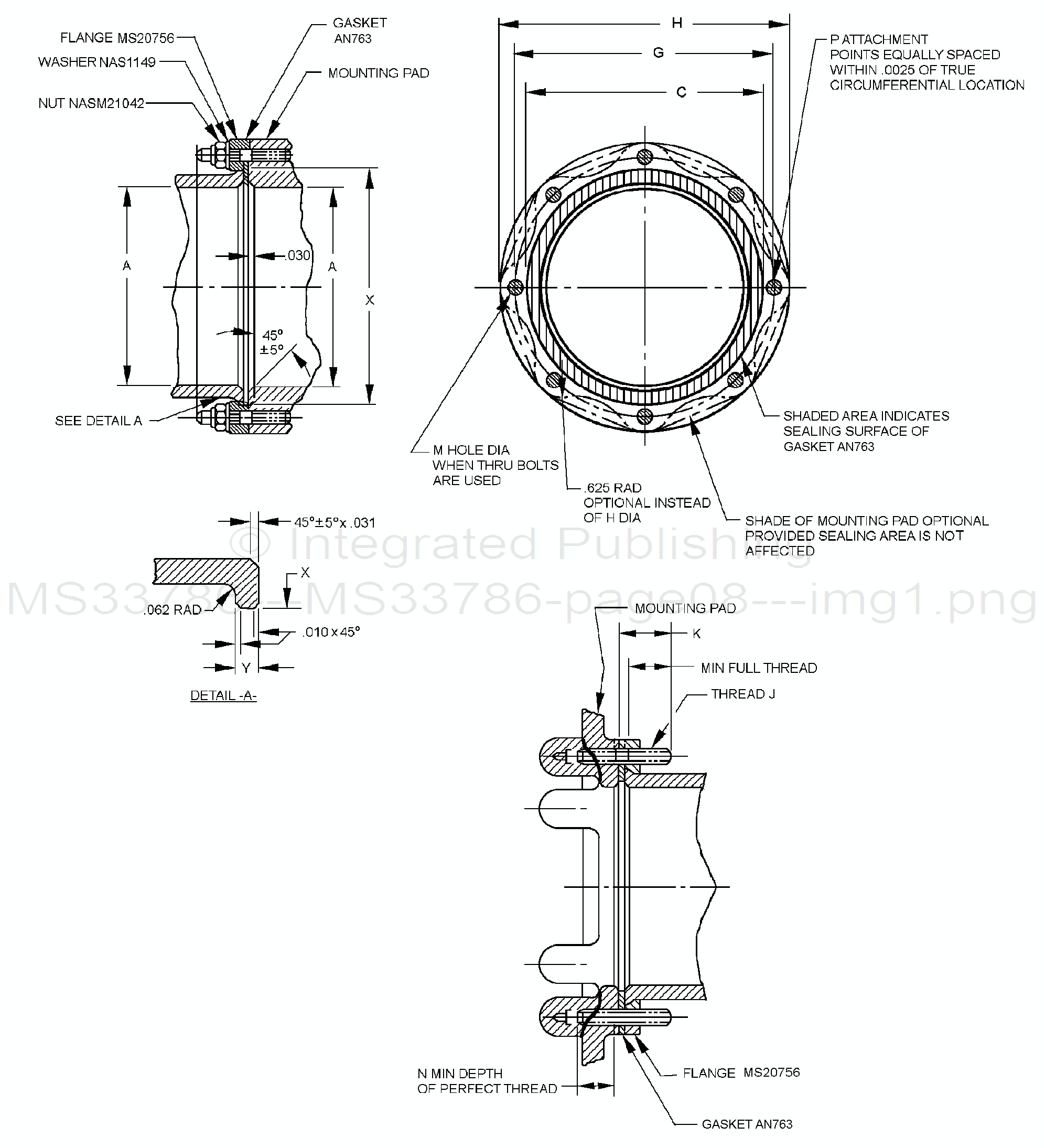
FIGURE 5. Installation (56 through 112) dimensions and configurations.
8
For Parts Inquires call Parts Hangar, Inc (727) 493-0744
© Copyright 2015 Integrated Publishing, Inc.
A Service Disabled Veteran Owned Small Business
MS33786B

FIGURE 5. Installation (56 through 112) dimensions and configurations.
8