INCH-POUND MS39136H
30 August 2012
SUPERSEDING MS39136G
24 May 2010
DETAIL SPECIFICATION SHEET
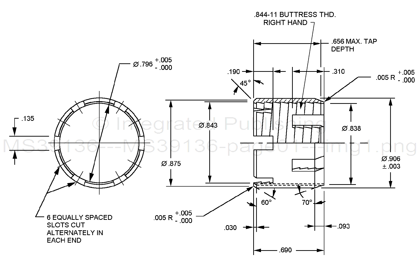
SLEEVE COMPRESSION, TUBE-HOSE FITTING, AUTOMOTIVE AIR BRAKE HOSE ADAPTER
This specification is approved for use by all Departments and Agencies of the Department of Defense.
The requirements for acquiring the product described herein shall consist of this specification sheet.

Inches |
mm |
Inches |
mm |
Inches |
mm |
0.003 |
0.076 |
0.190 |
4.826 |
0.838 |
21.285 |
0.005 |
0.127 |
0.310 |
7.874 |
0.843 |
21.412 |
0.030 |
0.762 |
0.656 |
16.662 |
0.875 |
22.225 |
0.093 |
2.362 |
0.690 |
17.526 |
0.906 |
23.012 |
0.135 |
3.429 |
0.796 |
20.218 |
FIGURE 1. Compression sleeve.
AMSC N/A FSC 4730
For Parts Inquires call Parts Hangar, Inc (727) 493-0744
© Copyright 2015 Integrated Publishing, Inc.
A Service Disabled Veteran Owned Small Business