INCH-POUND
MS39201G
30 August 2012
SUPERSEDING MS39201F
1 February 2002
DETAIL SPECIFICATION SHEET
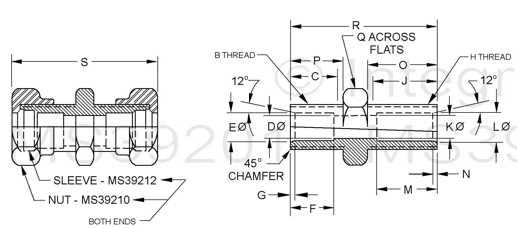
NIPPLE, TUBE-SAFETY SLEEVE COMPRESSION TYPE
Inactive for new design after
29 December 1967.
This specification is approved for use by all Departments and
Agencies of the Department of Defense.
The requirements for acquiring the product described herein shall consist of this specification sheet.

FIGURE 1. Nipples, tube-safety sleeve compression type.
AMSC N/A FSC 4730
For Parts Inquires call Parts Hangar, Inc (727) 493-0744
© Copyright 2015 Integrated Publishing, Inc.
A Service Disabled Veteran Owned Small Business