INCH-POUND
DETAIL SPECIFICATION SHEET NUTS, TUBE COUPLING - SAFETY SLEEVE
COMPRESSION TYPE
This specification is approved for use by all Departments and
Agencies of the Department of Defense.
MS39210J
30 August 2012 SUPERSEDING MS39210H
29 March 2005
The requirements for acquiring the product described herein shall consist of this specification sheet.

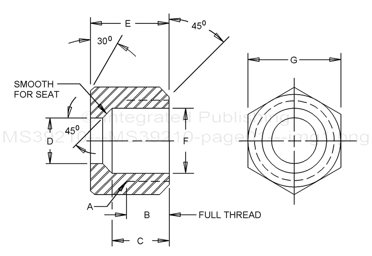
FIGURE 1. Nuts, tube coupling - safety sleeve compression type.
AMSC N/A FSC 4730
For Parts Inquires call Parts Hangar, Inc (727) 493-0744
© Copyright 2015 Integrated Publishing, Inc.
A Service Disabled Veteran Owned Small Business